kumpulan rangkaian elektronika
Rangkaian Power Supply
Rangkaian Power Supply Menggunakan LM 723 - Banyak sekali tutorial cara
membuat adaptor atau power supply yg bisa kita temui saat mencarinya di
mesin pencari, power supply guna catu daya peralatan elektronik yang
membutuhkan tegangan searah yg stabil bisa diadjust / tegangan outputnya
bisa distel naik atau diturunkan (variable power supply).
Cara membuat power supply dengan menggunakan ic LM 723 berikut skema rangkaiannya
Skema rangkaian power supply LM 723
Artikel seputar cara membuat power supply variable / adjustable yg bisa
diatur level tegangan outputnya dengan menggunakan IC LM317, dan skema
rangkaian diatas saya ambil dari http://skemarangkaianpcb.com.
Perhatikan skema rangkaian power supply dengan menggunakan ic LM 723 berikut komponen yg digunakan :
- IC LM 723
- Transistor 2N2222
- Transistor 2N3055
- Resistor 0,1/10W
- Potensio 20K
- Capasitor 40.000uf bisa ganti 68.000uf/50V
- Condensator 0.1uf
- Dioda Bridege
- Travo
Skema rangkaian seperti diatas sering saya jumpai pada power supply untuk catu daya power radio rig,
dengan berbagai penambahan penguatan (transistor), umumnya menggunakan 4
buah penguatan bahkan ada yang lebih, tergantung berapa besar daya yang
dihasilkan, semakin banyak transistor yg digunakan maka daya (kuat
arus) yg hasilkan juga besar tetapi bukan hanya penambahan penguat
transistor saja juga besar kuat arus travo harus diperhatikan.
Sekilas Blog diagram penguat power supply.

Saya coba buat rekayasa blog diagram penguatan untuk power supply
memberikan gambaran tentang penguatan power supply, berdasarkan
pengalaman yg sering terdengar ada yg mengatakan cukup dengan memparelel
transistor saja sudah dapat menghasilkan daya besar, ada juga yg
mengatakan travonya diganti dengan amper yg besar, dan berharap artikel
ini bisa memberikan gambaran penjelasan bagaimana untuk mendapatkan catu
daya yg besar dan stabil.
Untuk apa membuat power supply dengan catu daya besar ?
Setiap peralatan elektronika membutuhkan konsumsi power yang
berbeda-beda, Besar tegangan dan kuat arusnya, tergantung kebutuhannya
pada umumnya perangkat radio rig membutuhkan catu daya power supply 12 V
- 13,8 V kuat arus minimal 10 Amper bahkan ada yg lebih.
Kalau kita lihat blog diagram penguat power supply diatas,
- Travo merupakan komponen yg berfungsi untuk menurunkan tegangan arus
bolak-balik AC 220 V menjadi AC 12,15, 25, 35 Volt dan kuat arusnya
- Dioda Bridge, berfungsi untuk mengubah arus bolak balik menjadi
arusc searah, jika arus yg masuk / yg akan diubah besar sebaiknya
gunakan dioda dengan amper besar, agar arus dari travo bisa melewati
dioda.
- Control Power Supply LM723, bagian yng berfungsi mengatur besar
tegangan yg keluar, saya sebut saja control gak tau apa nama atau
istilah yg cocok kira-kira kerjanya begitu.
- Penguat penguat pada skema diatas umumnya menggunakan transistor,
agar arus yg keluar bisa tetap, meskipun tegangannya berubah-ubah.
Rangkiaan power supply variabel 10 ampere dengan regulator tegangan
LM723 ini memiliki output DC yang linier dari +3 volt hingga +8 volt.
Rangkaian power supply variabel 10A ini dibangun menggunakan regulator
tegangan IC LM723 dan penguat arus berupa 2 buah transistor 2N3055 yang
dipasang parallel. Rangkaian power supply variabel 10A LM723 dapat
digunakan untuk memberikan sumber tegangan ke perangkat elektronika
dengan stabil. Gambar rangkaian power supply dan daftar komponen untuk
membuat power supply variabel 10A LM723 dapat dilihat pada gambar
berikut.
Rangkaian Lampu Baca Otomatis
adalah rangkaian aplikasi elektronika dimana rangkaian ini bisa
menghasilkan energi cahaya seperti halnya lampu pijar sebagai penerang
ruangan atau kamar. Orang bijak bilang, buku adalah gudang ilmu.
Membaca buku memang salah satu kegiatan yang mengasyikkan, selain
mendapatkan ilmu pengetahuan sekaligus sebagai hiburan. Bahkan membaca
oleh sebagian orang dijadikan trik supaya cepat terlelap tidur. Tak
heran jika banyak orang membaca buku (novel, majalah, dll) sembari
menanti kantuk datang.
Guna melakukan aktivitas membaca di kamar
tidur biasanya menggunakan lampu baca. Persoalan lain timbul tatkala
Anda tiba-tiba tertidur pulas sehingga lupa memadamkan (mematikan) lampu
baca tersebut. Dari segi ilmu ekonomi jelas Anda rugi karena dengan
tidak memadamkan lampu baca berarti Anda tidak hemat energi. Nah untuk
mengatasi masalah ini maka terciptalah
Rangkaian Lampu Baca Otomatis. Gambar skemanya kami sajikan di bawah ini.
Gambar Skema Rangkaian Lampu Baca Otomatis
Berikut ini daftar komponen yang diperlukan :
R1 = 1K
R2 = 4K7
R3 = 10M
R4 = 1M
R5 = 10K
C1 = 470µF / 25V
C2- C4 = 100nF / 63V
C1 = 470µF / 25V
C2- C4 = 100nF 63V
D1- D4 = 1N4002
D5 = 5 mm LED warna merah
IC1 = CD4012
IC2 = CD4060
Q1 = BC 328
Q2 = BC 547
P1, P2 = Saklar
T1 = Transformator 9 Volt 1VA
RL1 = Relay 10.5V 470 Ohm 2A 220V
PL1 = Plug cowok
SK1 = Soket cewek
Rangkaian Lampu Baca Otomatis
ini akan menyalakan sebuah lampu atau alat lain untuk waktu tertentu
(misalnya 30 menit) dan kemudian mematikannya. Hal ini sangat berguna
ketika Anda membaca di tempat tidur pada malam hari. Rangkaian ini akan
mematikan lampu samping di tempat tidur Anda secara otomatis setelah
pembaca tertidur. Biasanya untuk menunggu kantuk datang perlu waktu
baca sekitar 30 – 60 menit. Setelah turn-on dengan menekan tombol P1,
LED menyala selama sekitar 25 menit, tapi kemudian mulai berkedip selama
dua menit, berhenti berkedip selama dua menit dan berkedip selama dua
menit sebelum beralih lampu padam, sehingga menandakan bahwa tepat waktu
baca ini segera berakhir. Jika Anda ingin memperpanjang bacaan, lampu
bisa mendapatkan lagi setengah jam cahaya dengan menekan P1.
Rangkaian Penghilang Noise
Biasanya pada waktu kita mendengarkan
musik, noise yang terdengar relatif kecil atau sama sekali tidak
terdengar. Namun begitu kaset/CD habis dan pada waktu kita menunggu lagu
berikutnya akan muncul dan jelas terdengar suara noise yang cukup
besar, apalagi bila volume kontrol dalam keadaan posisi setengah ke
atas. Hal ini tentunya akan mengganggu kita dalam menikmati lagu-lagu.
Dengan Rangkaian Penghilang Noise yang akan kita bahas kali ini, suara noise dapat diredam dan tidak dapat kita dengar lagi.
Jika Anda tertarik ingin membuat Rangkaian Penghilang Noise atau orang bule bilang stereo noise gate. Di bawah ini silakan Anda lihat dan pelajari gambar skemanya.
Gambar Skema Rangkaian Penghilang Noise
Daftar komponen :
R1, R2 = 5K6
R3, R4 = 100K
R5 = 4M7
R6 = 47K
R7, R12 = 1M8
R8, R20, R24 = 10K
R9 = 4K7
R11 = 1M
R13, R22 = 12K
R14 = 1K2
R15, R17, R25, R28 = 15K
R16 = 220K
R18, R19, R23, R26 = 390
R21, R29 = 3K9
RV1 = 22K
RV2 = 1M
C1, C12 = 100uF/10V
C2, C3 = 100nF
C4, C5, C8 = 2uF/63V
C6 = 1uF/63V
C7, C10 = 470uF/63V
C9, C11 = 10uF/25V
IC1 = LF351
Ic2 = 3140
IC3 = LM 13600N
Q1 = BC109
D1 – D4 = IN 4148
Rangkaian Penghilang Noise
ini dapat dipasang, baik pada sistem mono maupun stereo. Dengan
menggunakan IC tipe LM13600N dan dilengkapi dengan dioda linier dapat
dicegah sinyal input tinggi yang masuk pada IC op-amp dan akan
memberikan distorsi yang rendah. IC2 adalah tipe MOS dan menggunakan
soket 8 pin.
Rangkaian Penguji Kondensator
Kondensator yang melengkapi rangkaian
pesawat televisi umumnya sering bocor. Akibatnya bintik-bintik layar
lebih kasar sehingga mengganggu gambar tayang. Hal ini tentu tidak
diinginkan oleh pemiliknya, termasuk Anda. Bagi yang mengetahui tentang
elektronik tentu menjadi masalah. Mereka akan mencari penyebabnya dan
berusaha memperbaikinya. Untuk itu tidak jarang mereka menggunakan
Avometer sebagai alat pencari kerusakan. Tetapi bagi yang belum memiliki
Avometer, itu menjadi sebuah kendala. Maka dari itu kami tawarkan
sebuah Rangkaian Penguji Kondensator sebagai alternatifnya.
Bagi Anda yang tidak mempunyai Avometer janganlah berkecil hati sebab Anda dapat merangkai alat penguji sendiri yang dinamakan Rangkaian Penguji Kondensator. Alat ini sangat sederhana, tetapi sangat sensitif (peka) terhadap kebocoran sebuah kondensator.
Gambar Skema Rangkaian Penguji Kondensator
Daftar komponen :
C1 = Elco 10uF/150V
C2 = Elco 10uF/150V
R1 = 3K3
R2 = 100K Ohm
R3 = 100K Ohm
D1 = Dioda silikon tipe K-200
D2 = Dioda silikon tipe K-200
TL = Lampu tabung 10 Watt
S = Sakelar
Berikut ini cara menguji kondensator yang berada pada rangkaian televisi atau radio menggunakan Rangkaian Penguji Kondensator adalah sebagai berikut.
- Mula-mula rangkaian televisi atau radio
dinyalakan. Kemudian melihat gambar pada layar (untuk televisi) dan
mendengarkan suara radio. Jika gambar televisi kasar, maka kutub
belakang dibuka. Kemudian jack (penjepit accu) yang menghubungkan lampu
neon (lampu tabung) dijepitkan pada kaki negatif. Apabila lampu menyala
atau berkedip-kedip maka kondensator dalam keadaan baik. Tetapi kalau
tidak menyala, berarti kondensator tersebut rusak.
- Selanjutnya menyolder pada tempat
semula. Cabutlah kaki kondensator berkaki positif. Hubungkan dengan
kabel berasal dari sakelar. Kemudian sakelar ditekan. Terjadilah kontak
antara komponen satu dengan lainnya yang sebelumnya telah dihubungkan.
Bila lampu neon tidak menyala, maka kondensator dinyatakan rusak.
- Mencabut (melepaskan solderan) kedua
kaki kondensator dari tempat asal (rangkaian). Kemudian kutub negatif
dijepit dengan penjepit negatif dan yang positif dijepit dengan yang
berhubungan sama kabel dari chasis sakelar. Selanjutnya menekan sakelar.
Apabila lampu neon menyala, berarti kondensator dalam keadaan baik.
Rangkaian Interkom Canggih
Rangkaian Interkom Canggih
hanya akan dapat dipakai dalam rumah tinggal. Tidak akan memuaskan
untuk dipakai dalam pabrik-pabrik ataupun kantor-kantor. Taraf gangguan
dalam kantor-kantor dan pabrik-pabrik oleh mesin-mesin listrik yang ada
adalah terlampau tinggi.
Kalau sesudah selesai membuat dua pesawat
kemudian pesawat-pesawat itu dicoba, mungkin akan mendapatkan kenyataan
bahwa mereka tidak dapat saling berhubungan. Ini disebabkan karena stop
kontak-stop kontaknya tidak dalam satu saluran. Penerimaan-penerimaan
radio dan televisi tidak akan terganggu olehnya sebab gelombang pembawa
yang dipakai adalah setinggi kira-kira 80 kHz.
Gambar Skema Rangkaian Interkom Canggih
Adapun cara kerja Rangkaian Interkom Canggih
ini adalah sebagai berikut. Dalam kondisi normal, sakelar tiga kutub
supaya ditaruh pada posisi T (terima). Maka Q1 bekerja sebagai detektor
dan Q2 sebagai penguat. Basisnya Q1 tidak mendapat tegangan muka sebab
tidak ada arus lewat pembagi tegangan R1, R2. Kalau datang gelombang
sinyal lewat saluran dan diinduksikan dari L1 ke L2, maka oleh
denyut-denyut positif dari gelombang ini Q1 menghantar dan mendeteksi.
R9 dan C7 merupakan filter deteksi. C5 juga bekerja sebagai kondensator
perata bagi sinyal frekuensi tinggi yang masih tersisa.
Dengan pengeras suara yang berimpedansi
150 Ohm tidak diperlukan trafo output. Jika sakelar ditaruh pada posisi K
(kirim), maka Q1 bekerja sebagai osilator dan Q2 sebagai penguat
mikrofon. Pengeras suara bekerja sebagai mikrofon. Q1 dan Q2 berderet
pada sumberdaya sehingga variasi arus kolektor Q2 menyebabkan variasi
pada amplitudonya gelombang pembawa.
Lilitan Interkom Canggih
Getaran yang terjangkit dalam L2-C1
diinduksikan ke L1 dan kemudian lewat C10-C11 dan C12-C13 dipancarkan ke
jaringan. Pelawan-pelawan R12-R14 mencegah terhubung singkatnya getaran
tersebut oleh jembatan penyearah. Adapun R3 meredam getaran-getaran
yang ada pada sirkuit L1-C10-C11 supaya tidak terjangkit harmonisa
(getaran-getaran lain).
Tegangan jepit yang diperoleh ditentukan
oleh pembagi tegangan yang dibentuk oleh C12-C13-R12-R13-R14 dan
pembebanan oleh dioda-dioda penyearah. Kondensator-kondensator C12-C13
dipakai guna memperoleh pembagi tegangan tanpa panas. C14 menindas
dengung modulasi. R11 membuang muatan dari C12 dan C13 kalau interkom
kita copot dari jaringan.
Seluruh Rangkaian Interkom Canggih
supaya diwadahi dalam wadah plastik (isolasi) sebab C12 dan C13 tidak
mengisolasi peralatan itu dari jaringan. Reaktansi-reaktansi C12 dan C13
bagi frekuensi 50 Hz masih cukup kecil. Dalam posisi terima konsumsi
arus adalah 10mA dengan tegangan 12 Volt. Dalam posisi kirim konsumsi
arus 8mA dengan trgangan 15 Volt.
Rangkaian Bel Pintu
Rangkaian Bel Pintu ini
akan mengeluarkan nada-nada mi-do-re-sol jikalau sakelar S dipijit.
Bunyi ini dibangkitkan oleh multivibrator 01-02. Adapun multivibrator
ini dikemudikan oleh register IC1. Guna keperluan pengemudian ini, maka
jalan keluar-jalan keluar dari IC1 dihubungkan kepada multivibrator
lewat potensiometer-potensiometer P1 sampai dengan P4 dan dioda-dioda D1
sampai dengan D4.
Register akan melangsungkan informasi
yang ada pada jalan masuk D pada saat berlangsungnya tebing negatif dari
denyut bel (clock impulse). Maka secara berturut-turut multivibrator
dikemudikan lewat P1 sampai dengan P4. D1 sampai dengan D4 berguna untuk
mengisolasi jalan keluar-jalan keluar pada saat-saat keluaran bertaraf
rendah ( 0 ). Di bawah ini bisa Anda pelajari gambar skema Rangkaian Bel Pintu.
Gambar Skema Rangkaian Bel Pintu
Denyut-denyut bel bagi register
dijangkitkan oleh osilator yang dibangun dengan pintu-pintu NAND 3 dan
NAND 4. Kondensator-kondensator C5 dan C6 menentukan waktu atau periode
(jarak antara satu nada dan nada berikutnya). Jikalau saklar S dipijit,
maka flip flop (pintu NAND 1 dan NAND 2) dipasang atau diset dan
osilator (NAND 3 dan NAND 4) dihidupkan.
Pada mulanya, di jalan masuk D dari IC1
terdapat sinyal “1″ sebab Q3 tersumbat. Denyut bel yang pertama-tama
akan menggeserkan taraf “1″ ini ke jalan keluarnya. Maka katoda D1
beroleh potensial positif, hingga Q3 menghantar. Ini menyebabkan jalan
masuk D berubah jadi “0″ sehingga untuk seterusnya hanyalah ada satu “1″
yang bergeser dalam register geser IC1.
Pada denyut bel yang ke-4, jalan keluar 9
menjadi “1″ dan 8 jadi “0″. Oleh sinyal ini, maka flip flop (NAND 1 dan
NAND 2) dilepas (direset) dan osilator (NAND3 dan NAND4) matilah.
Kuat bunyi dapat diatur dengan R12. Besar
R12 dapat ditetapkan dengan percobaan, tetapi jumlah perlawanan
pengeras suara dan R12 jangan kurang dari 8 Ohm. Nada-nada mi-do-re-sol
pada Rangkaian Bel Pintu
ini dapat saja diganti-ganti urutannya dengan jalan mengubah-ubah
potensio-potensio P1 dan P4. D5 dan D6 bekerja supaya tebing-tebing
denyut jadi curam. Dengan demikian nada-nada yang dihasilkan akan lebih
bening. C3 dan C4 berguna untuk mencegah kemungkinan timbulnya osilasi
liar.
Rangkaian Senter Otomatis
Anda tentunya sudah sering dan sangat
akrab dengan apa yang disebut senter ini. Menurut Kamus Besar Bahasa
Indonesia, senter adalah alat untuk menerangi gelap berupa tabung dengan
bola lampu kecil di ujungnya yang tertutup kaca dan memakai baterei
untuk menyalakannya. Hampir semua orang memilikinya, terutama sekali
para peronda malam. Kali ini kita akan mencoba merakit Rangkaian Senter Otomatis
yang diterapkan pada sebuah senter rumah. Alat-alat ini berfungsi
sekali untuk mengatur pencahayaan senter seperti nyala terang, redup
atau sesuai dengan keinginan kita.
Desain senter yang paling umum seperti
yang dilansir Wikipedia yaitu lampu rumahtangga yang sederhana dengan
pegangan menyerupai tabung dan mengandung baterei. Pegangan ini ditempel
pada sebuah rakitan yang menutupi bohlam. Desain khusus diperlukan
untuk penggunaan industri dan profesional. Senter untuk keperluan khusus
terdiri dari lampu dengan materi yang lebih berat, tahan lama, dan
menghasilkan cahaya yang lebih terang. Ada desain lain yang menggunakan
lampu LED sebagai bohlam lampunya. Lampu LED memang tidak seterang lampu
pijar konvensional, namun konsumsi energi dari lampu LED ini terbilang
rendah sehingga dapat bertahan selama ratusan jam. Faktor-faktor yang
dipertimbangkan saat mendesain senter antara lain output cahayanya, daya
tahan, dan kemampuan untuk beroperasi pada lingkungan khusus. Daya
tahan baterei juga merupakan faktor penting. Di bawah ini kami sajikan Rangkaian Senter Otomatis.
Gambar Skema Rangkaian Senter Otomatis
Daftar komponen :
R1 = 8K2
R2 = 33K
R3 = 4K7
R4 = 8K2
R5 = 5K6
R6 = 390 Ohm
C1 = 47nF
C2 = 47nF
T1 = Tipe TUN
T2 = Tipe TUN
T3 = Tipe TUN
T4 = BC141
D1 = Tipe DUS
L1 = Lampu 4,5 – 9 Volt
P1 = 100K
B = Baterei 6 – 12 Volt
Dalam merakit Rangkaian Senter Otomatis
ini usahakan unit rangkaiannya bisa dimasukkan ke dalam kotak senter
yang sesuai dengan jenis-jenis dan ukuran-ukuran yang kita gunakan.
Dengan menggunakan potensiometer sebagai pengatur cahaya maka sekarang
kita bisa menghemat energi dari senter tersebut.
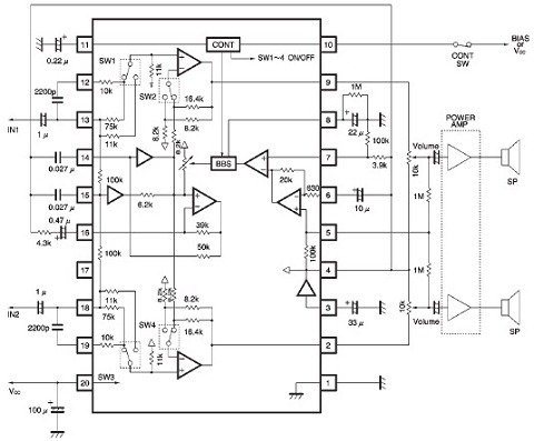
Rangkaian Indikator Puncak Loud Speaker
Kini tiap pengeras suara (loudspeaker)
yang layak, cukup tahan terhadap penanganan yang serampangan. Tetapi
masalah ini bisa timbul di ruang duduk kita bila volumenya diputar
sangat tinggi sebab akan terjadi pemotongan amplitudo frekuensi suara
sehingga menimbulkan suara yang cacat. Dan pada keadaan tersebut, selain
bisa dihasilkan suara yang cacat, suara harmonik tinggi bisa muncul
juga. Dengan demikian hal ini tidak cuma merusak kenikmatan pendengaran,
namun juga merusak tweeter. Untuk itulah Anda disarankan menggunakan Rangkaian Indikator Puncak Loud Speaker.
Tindakan pencegahannya bisa diambil dengan menggunakan Rangkaian Indikator Puncak Loud Speaker,
sebuah alat yang belum begitu banyak dimasukkan dalam sebagian besar
penguat audio. Sedangkan indikator puncak yang diterangkan di sini bisa
dihubungkan secara langsung pada output penguat atau malahan dipasang
dalam pengeras suara atau loud speaker sebab tidak dibutuhkan catu daya
terpisah.
Gambar Skema Indikator Puncak Loud Speaker
Daftar komponen :
R1 = 100 Ohm
R2 = 27K
R3 = 5,6K
R4 = 2,7K
R5 = 8,2K
R6 = 39K
R7 = 220 Ohm
R8 = 1M
R9 = 3,3K
R10 = 27 Ohm
C1 = 100nF
C2 = 220uF/50 V
D1 = 1N4004
D2, D3, D4 = 1N4148
T1, T3, T4 = BC547B
T2 = BCX 557 B
LED
Taraf daya puncak dimana Rangkaian Indikator Puncak Loud Speaker
diharapkan memberikan respon-respon (tegangan puncak) bisa diatur
antara 15 dan 125 W dengan sebuah pengeras suara 8 W. Maka rangkaian
memberikan daya puncaknya sehingga memungkinkan pendengar bisa melihat
dengan sebenarnya jika sesuatu mulai bekerja tidak normal. Jika LED cuma
sesekali menyala berarti segala sesuatu masih berjalan normal. Dan pada
waktu LED menyala terus-menerus, maka tiba saatnya untuk mengecilkan
volume sedikit.
Rangkaian Penguat Suara
Dalam Rangkaian Penguat Suara
ini speaker kecil (dengan magnet) berfungsi sebagai mikrofon. Jika kita
berbicara di depan speaker (input) suara kita akan terdengar lewat
speaker output. Rangkaian penguatannya (amplifier) dalam rangkaian ini
berfungsi menguatkan suara yang kemudian diteruskan ke speaker output.
Adapun cara kerja Rangkaian Penguat Suara
ini adalah sebagai berikut. Jika kita berbicara di depan speaker input,
gelombang suara akibat suara kita menyebabkan membran bergetar. Getaran
membran ini menggerak-gerakkan gulungan speaker yang dipasang
mengelilingi inti magnet. Telah kita ketahui bahwa gerakan gulungan
lewat medan magnet membangkitkan arus listrik. Arus listrik ini
ditransfer (diteruskan) dari gulungan speaker ke gulungan sekunder
transformator. Arus ini diinduksikan ke gulungan primer dan diumpankan
pada basis transistor 2N107 PNP dan selanjutnya diperkuat.
Gambar Skema Rangkaian Penguat Suara
Daftar komponen :
- 2 buah loudspeaker dengan magnet permanen 4″
- 2 buah transformator output
- 1 buah transistor dengan tipe 2N107 atau yang sejenis (PNP)
- 1 buah transistor dengan tipe 2N170 atau yang sejenis (NPN)
- Resistor 50K Ohm
- Sumber daya dengan tegangan 6 Volt
- Sakelar SPST
Kemudian sinyal yang telah diperkuat ini
diteruskan ke basis transistor NPN 2N170. Di sinipun sinyal tersebut
diperkuat lagi dan seterusnya diumpankan pada output gulungan primer
transformator. Arus sinyal ini diinduksikan pada gulungan sekunder dan
menyebabkan output gulungan speaker bergerak. Kemudian getaran coil ini
menggetarkan membran dan suarapun timbul.
Baik transformator input maupun
transformator output dirangkaikannya secara sama. Gulungan sekunder
dihubungkan pada gulungan bicara dari spekaer, sedangkan gulungan primer
ke sumber daya.
Dalam Rangkaian Penguat Suara
ini pada penguatan-penguatan yang lain. Penguatan akan tergantung atas
jenis transistor yang digunakan dan efisiensi dari transformator input
dan output.
Rangkaian Alat Komunikasi Antar Ruang
Rangkaian Alat Komunikasi Antar Ruang
dapat digunakan sebagai alat komunikasi antar ruang. Di sini hanya
diperlukan tambahan sakelar double pole – double throw. Tahap pertama
adalah menghubungkan terminal A dengan C dan B dengan D seperti tampak
dalam gambar. Gunakan kabel berisolasi. Lepaskan kabel dari gulungan
primer yang menghubungkan ke basis transistor PNP. Solder kemudian
sepotong kabel pada terminal tersebut dan hubungkan pada tanda “x” dari
sakelar DPDT ke basis transistor PNP. Di bawah ini bisa Anda lihat
gambar skema Rangkaian Alat Komunikasi Antar Ruang.
Lepaskan kabel dari gulungan primer
transformator yang berhubungan dengan kolektor transistor NPN. Solder
sepotong kawat pada ujung gulungan tersebut dan hubungkan dengan termial
Y. Kemudian hubungkan terminal A dari sakelar DPDT ke kolektor
transistor NPN dengan kabel yang lain.
Untuk menggunakan amplifier tersebut
sebagai alat komunikasi, tempatkan speaker dan transformator tersebut
pada tempat terpisah. Misalnya pada kamar lain atau lantai lain dari
rumah kita. Dua utas kabel yang panjang gunakan sebagai penghubung dari
tempat speaker ke tempat amplifier. Berikut ini gambar skema Rangkaian Alat Komunikasi Antar Ruang.
Gambar Skema Alat Komunikasi Antar Ruang
Daftar komponen :
- 2 buah loudspeaker 4″ (magnet permanen)
- 2 buah transformator output
- Sebuah transistor PNP 2N107 atau yang sejenisnya
- Sebuah transistor NPN 2N170 atau yang sejenisnya
- Resistor 50K
- Sumber daya 6 Volt DC
- Sakelar SPST
- Sakelar DPDT
Sebuah kabel menghubung antara gulungan
primer transformator dengan sebuah terminal pada sakelar DPDT. Kabel
yang lain menghubungkan ujung yang lain gulungan primer transformator ke
terminal positif dari sumber daya. Penempatan speaker tersebut boleh
dipilih, kedua-duanya sama. Diperlukan pula sedikit lagi kawat, yaitu
untuk hubungan sakelar DPDT. Sakelar ini hendaknya ditempatkan pada
dasar dari amplifier. Jika sakelar DPDT terletak pada sautu posisi, maka
speaker yang satu berfungsi sebagai mikrofon dan speaker yang lain
sebagai pengubah getaran listrik menjadi suara.
Sedang yang lain sekarang sebagai
mikrofon. Kita tidak dapat mendengar dan berbicara bersama-sama, harus
bergantian. Oleh karena itu tandailah posisi dengar dan bicara pada
sakelar DPDT. Kemudian buatkan kotak untuk unit Rangkaian Alat Komunikasi Antar Ruang dan satu lagi untuk unit speaker.
Rangkaian Pemancar Broadcast
Osilator yang akan kita bicarakan ini adalah dari Rangkaian Pemancar Broadcast.
Pemancar ini mengirimkan atau memancarkan sinyal, misalnya pembicaraan
kita yang dapat ditangkap kembali oleh penerima broadcast yang terdekat.
Sinyal audio (AF) yaitu getaran yang
berfrekuensi antara 15 sampai 20 Kc/s. Di atas 20 Kc/s dinamakan getaran
radio atau RF. Osilator membangkitkan sinyal RF yang besarnya antara
550 sampai dengan 1650 Kc/s, yaitu daerah penerimaan radio. Ini
dinamakan gelombang/getaran pembawa dan pada pesawat penerima radio
terdengar sebagai suara desis.
Speaker magnet permanen digunakan sebagai mikrofon. Dihubungkannya ke Rangkaian Pemancar Broadcast
lewat transformator. Headphone juga dapat digunakan sebagai mikrofon.
Jika menggunakan headphone maka kabel-kabelnya dapat langsung
disambungkan pada rangkaian input dari osilator. Jadi tak diperlukan
transformator.
Jika Anda berbicara di depan mikrofon,
maka bangkitlah sinyal audio. Sinyal ini dicampur dengan getaran pembawa
dan dipancarkan lewat antena. Gelombang elektromagnetik dari pemancar
sekarang terdiri atas dua komponen yaitu getaran pembawa (RF) dan
getaran frekuensi rendah (AF).
Gambar Skema Rangkaian Pemancar Broadcast
Daftar komponen :
- Sebuah coil atau coil ferit
- Kondensator variable
- Transistor jenis PNP
- Potensiometer 500K
- Gulungan RFC
- Kondensator tetap dengan kapasitas 25-50uF
- Kondensator tetap dengan kapasitas 0,005uF
- Mikrofon atau speaker magnet tetap
- Sakelar SPST
- Power supply 6 Volt
- Antena 6 kaki
Jika Anda mengamati rangkaiannya, maka
tampaklah rangkaian kombinasi dari coil dan kapasitor tuning yang
merupakan rangkaian tuning. Rangkaian ini mengatur bermacam-macam
frekuensi dari sinyal pemancar. Oleh karena itu dapat ditangkap pada
berbagai gelombang dari sebuah pesawat penerima radio.
Anda ketahui panjang antena yang
digunakan 2 meter. Janganlah osilator tersebut dihubungkan dengan antena
luar atau kawat lain karena pemancar anda ini akan menerima siaran dari
pemancar lain.
Semua jenis transistor dapat digunakan dalam Rangkaian Pemancar Broadcast
ini. Jika Anda mempunyai banyak transistor cobalah semuanya. Ingat
kutub-kutub baterei jika anda menggunakan transistor jenis NPN.
Rangkaian Interkom Satu IC
Rangkaian Interkom Satu IC
– Integrated Circuit (IC) adalah sebuah komponen elektronika yang
terdiri atas beberapa transistor, dioda dan resistor yang kemudian
ditutup dengan suatu bahan yang namanya epoxy. Dari bentuk ini hanya
muncul beberapa terminal atau kaki. Warna badannya biasanya hitam.
Sebagai contoh misalnya IC dengan tipe LM380. IC ini termasuk jenis
power amplifier (PA).
Pada deretan kanan dan kiri memanjang
pada badannya terdapat masing-masing 7 buah kaki. Jadi semuanya ada 14
kaki. Kaki-kaki ini terbuat dari logam yang merupakan terminal atau
penghubung listrik di dalamnya. Sebenarnya masing- masing kaki mempunyai
urutan nomor tersendiri. Namun tidak pernah dituliskan pada IC. Untuk
mengenal urutan kakinya mudah. Apabila kita melihat IC dari atas (top
view) maka urutan nomor kakinya berlawanan dengan arah putaran jarum
jam.
Kaki nomor 1 pada umumnya berada di dekat
cowakan yang ada pada top view dari IC. Di atas kaki No.1 ada tanda
titik (hitam atau putih). IC dengan tipe LM380 N ini dapat kita gunakan
sebagai power amplifier sebuah interkom. Di bawah ini kami sajikan
gambar skema Rangkaian Interkom Satu IC.
Gambar Skema Rangkaian Interkom Satu IC
Rangkaian Interkom Satu IC
terdiri atas dua unit. Unit satu terdiri atas LS1 beserta rangkaiannya
dan unit II adalah LS2. Unit I yang dilengkapi dengan rangkaian
elektronik merupakan unit yang berfungsi mengatur intensitas suara dan
penggantian posisi dengar-bicara. Antara unit I dengan unit II
dirangkaikan dengan kabel yang berukuran 2 x 0,75 mm. Penempatan unit I
dengan unit II paling jauh 25 m.
Cara Menguji Transistor
Transistor merupakan dioda dengan dua
sambungan. Sambungan itu sedemikian rupa sehingga membentuk transistor
tipe PNP maupun tipe NPN. Ujung-ujung terminalnya berturut-turut disebut
emitor, basis dan kolektor. Basis selalu berada di tengah, diantara
emitor dan kolektor. Transistor demikian disebut transistor bipolar
karena struktur dan prinsip kerjanya sangat tergantung dari perpindahan
elektron di kutub negatif yang mengisi lubang elektron di kutub positif.
Guna menghasilkan rakitan yang bagus, sebaiknya sebelum disolder, uji
transistor-transistor tersebut. Ingin tahu cara menguji transistor?
Berikut ini akan kami uraikan cara menguji transistor; transistor jenis PNP dan NPN.
- Menguji Transistor Jenis PNP
Langkah-langkah yang perlu kita perhatikan adalah sebagai berikut :
- Putarlah sakelar multimeter pada Ohm meter baik 1x, 10x atau 1K.
- Pencolok yang merah ditempelkan pada kaki basis, sedangkan pencolok
hitam pada kaki emitor. Bila jarum bergerak itu berarti transistor dalam
kondisi baik.
- Pencolok hitam dipindahkan pada kaki kolektor. Bila jarum bergerak itu tandanya transistor dalam kondisi baik.
- Menguji Transistor Jenis NPN
Langkah-langkah yang harus kita perhatikan dalam menguji transistor jenis NPN adalah sebagai berikut :
- Putarlah sakelar multimeter pada 1x, 10x, atau 1K Ohm.
- Selanjutnya tempelkan pencolok hitam
pada kaki basis. Sedangkan pencolok merah pada kaki emitor. Bila jarum
bergerak itu berarti transistor dalam kondisi baik.
- Kemudian pencolok yang merah dipindahkan ke kaki kolektor, bila jarum bergerak itu berarti transistor baik.
Demikian uraian singkat mengenai cara menguji transistor dan semoga bermanfaat bagi Anda.
Rangkaian Alat Bantu Pendengaran
Sebenarnya rangkaian alat bantu pendengaran
ini digunakan pada orang-orang yang cacat telinga. Alat ini
diperuntukkan bagi mereka yang pendengarannya terganggu (agak tuli). Hal
ini bisa terjadi karena faktor usia atau karena sebuah kecelakaan
sehingga telinganya tidak bisa berfungsi dengan baik.
Setelah rangkaian alat bantu pendengaran
ini dirakit dengan baik, untuk menggunakannya adalah dengan cara
mencolok jack pada sambungan kabel dari radio atau tape recorder.
Kemudian sakelar ditekan sehingga arus dari sumber tegangan mengalir ke
seluruh komponen dan menghasilkan suara di earphone sesuai dengan bunyi
pada sumbernya.
Gambar Skema Rangkaian Alat Bantu Pendengaran
Daftar komponen :
C1, C2, C4, C5 = 8uF
C3, C6 = 8pF
R1 = 2K7 Ohm
R2 = 56K Ohm
R3 = 18K Ohm
R4 = 3K9 Ohm
R5 = 22K Ohm
R6 = 1K8 Ohm
R7 = 39K Ohm
R8 = 33K Ohm
R9 = 1K Ohm
R10 = 5K Ohm
R11 = 1K Ohm
R12 = 10K Ohm
R13 = 1K Ohm
R14 = 2K Ohm
Tr1 = OC70
Tr2 = BC70
Tr3 = OC70
Tr4 = OC71
B = 3 Volt
M = Mikrofon
LS = Earphone
S = Sakelar
J = Jack
Agar dapat memperoleh suara maksimal,
potensiometer diputar ke arah kanan. Suara yang keluar dari earphone
akan terdengar lebih tinggi. Earphone adalah sejenis loudspeaker yang
berukuran kecil dan biasanya ditempelkan /dicocokkan pada telinga.
Selain dapat digunakan untuk mendengarkan musik, rangkaian ini berfungsi
pula sebagai alat pemanggil. Caranya dengan menggunakan mikrofon yang
dicolokkan pada jack. Sementara itu, earphone masih berada di telinga.
Bila tidak berfungsi sama sekali/tidak
dapat dipakai berarti ada salah satu komponen yang rusak atau terpasang
terbalik. Perlu diketahui bahwa rangkaian alat bantu pendengaran ini menggunakan empat transistor dimana transistornya ada yang berlainan jenis (beda).
Rangkaian Penerima Radio Regeneratif
Langkah pertama dalam merakit rangkaian penerima radio regeneratif
ini ialah mengubah gulungan antena dengan memperlengkapinya dengan
gulungan tickler. Buatlah gulungan sebanyak 15 gulungan di atas
gulungann yang terdahulu. Dimulai dari ujung yang dihubungkan ke tanah
kira-kira 6 mm dari ujung. Kemudian ujung-ujung gulungan ini dikaitkan
dengan solasiban. Sisakan kabel-kabel ujung gulungan tersebut
masing-masing sepanjang 25 cm. Pasangkan kembali gulungan tersebut pada
alas rangkaian.
Sinyal dari pemancar yang dipungut oleh antena pada rangkaian penerima radio regeneratif ini
dibawa ke rangkaian tuning dimana sinyal ini dipilah-pilahkan. Dari
sini dilangsungkan ke transistor. Sinyal yang telah diperkuat dan keluar
dari kolektor diumpankan pada gulungan tickler menginduksikan diri pada
gulungan yang lain menyebabkan sinyal yang masuk menjadi kuat. Sinyal
yang telah menjadi kuat ini diumpankan pada transistor dan menghasilkan
feedback lewat rangkaian tickler. Getaran feedback ini berulang kembali
terus-menerus dan dinamakan proses regeneratif.
Gambar Skema Rangkaian Penerima Radio Regeneratif
Daftar komponen :
1. Gulungan antena yang dilengkapi gulungan tickler.
2. Kondensator variable.
3. Transistor PNP tipe 2N107 atau sejenisnya.
4. Potensiometer 5K – 500K.
5. Resistor 500 K.
6. Kondensator 0,05uF.
7. Kondensator 0,001uF.
8. Kondensator 100pF.
9. Headphone/Earphone.
10. Sakelar SPST.
11. Sumber daya 3 Volt DC.
12. Kawat antena.
13. Kawat hubungan ke tanah.
Jika proses regeneratif tidak dibatasi
maka akan bangkit energi sinyal yang berlebihan dan akan memancar
(osilasi). Proses osilasi akan terdengar sebagai siulan, dengungan,
cuitan atau suara gangguan yang lain. Potensiometer berfungsi sebagai
pengatur proses regeneratif. Pesawat penerima radio regeneratif harus
ditune secara hati-hati.
Pesawat penerima radio regeneratif sangat
sensitif terhadap sinyal-sinyal yang lemah dan menghasilkan
selektivitas yang lebih tinggi dari yang lain. Selamat mencoba rangkaian penerima radio regeneratif dan semoga berhasil.
Rangkaian Penguat Bertenaga Mini USB Untuk Laptop
Rangkaian Penguat Bertenaga Mini USB Untuk Laptop
– Sudah ada strategi di pasar membeli speaker bertenaga USB untuk
laptop. Speaker ini biasanya didorong oleh daya dari satu port USB yang
tersedia dan sinyal input audio dari headphone port, sehingga
mengkonsumsi dua port notebook.
Sebuah port USB memberikan arus maksimum
500mA pada 5Volt hingga max 0,5 × 5 = 2.5 Watt. Jadi, jika sirkuit
memakan 0,5-1 Watt arus listrik, hanya 1.5 Watt yang tersisa untuk
output speaker. Sekarang Anda mungkin bertanya 1.5 watt tidak akan
menciptakan banyak suara. Tapi percayalah, dalam kondisi yang baik, 1.5
Watt ini jauh lebih dari yang diharapkan. Di bawah ini kami sajikan
Rangkaian Penguat Mini USB untuk Laptop.
Gambar Skema Penguat Bertenaga Mini USB Untuk Laptop
Daftar komponen :
R1 = 10K Ohm
R2 = 10K Ohm
R3 = 4,7 Ohm
R4 = 4,7 Ohm
C1 = 100uF
C2 = 100uF
C3 = 10uF
C4 = 470uF
C5 = 470uF
C6 = 0,1uF
C7 = 0,1uF
IC = TDA2822M
Gambar Penguat Bertenaga Mini USB Untuk Laptop
Speaker ini memiliki tipe magnet datar di
dalamnya, dan tersedia di toko grosir elektronik. Untuk box speaker,
gunakan kotak korek api tua jumbo. Dan untuk sirkuit, yang Anda butuhkan
adalah rangkaian penguat audio yang mampu memberikan output 0.5Watt di
setiap saluran.
Di sini kita akan menggunakan stereo amplifier dengan IC TDA2822 M sebagai Rangkaian Penguat Bertenaga Mini USB
yang mempunyai 8 pin paket DIP dan biasanya ditemukan di walkman mini
dan lain-lain. IC ini dapat memberikan output hingga 450 mili Watt /
saluran dengan 4 ohm loudspeaker pada pasokan 5 Volt yang mendekati yang
kita butuhan.
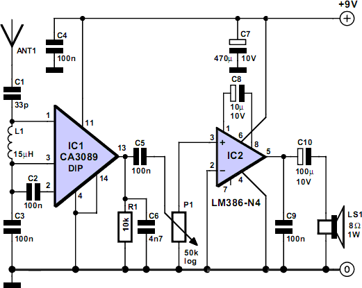
Rangkaian Pemantau Gelombang Pendek
Rangkaian Pemantau Gelombang Pendek
– Penerima broadband AM ini memungkinkan Anda untuk ‘memantau’ band
radio gelombang pendek. Rangkaian telah sengaja dirancang untuk memiliki
selektivitas rendah dan paling sensitif dalam kisaran antara 6 sampai
20 MHz. Rentang frekuensi ini berisi sebagian besar stasiun siaran
gelombang pendek. Dalam konfigurasi ini, stasiun mana memiliki sinyal
terkuat akan menjadi yang paling mudah untuk mendengar.
Fakta yang menarik adalah bahwa kekuatan
sinyal dari stasiun di band ini berubah cukup banyak. Hal ini karena
ionosfer mencerminkan sinyal radio. Karena lapisan atmosfer berada dalam
gerakan konstan, kekuatan sinyal yang diterima dari arah yang berbeda
tergantung pada variasi kontinyu. Selama pengujian prototipe Radio
Netherlands World Service, Radio Deutsche Welle Finlandia berganti-ganti
sebagai stasiun terkuat secara berkala.

Receiver ini tidak hanya memberikan
indikasi yang baik dari berbagai stasiun yang ditawarkan di band
gelombang pendek, tetapi juga merupakan alat yang sangat baik untuk
memantau keadaan ionosfer.
Rangkaian Pemantau Gelombang Pendek
ini sebenarnya terdiri dari tidak lebih dari sebuah RF dan penguat AF.
Amplifikasi frekuensi tinggi dilakukan oleh tahap IF dari CA3089. IC ini
sebenarnya ditujukan untuk penerima FM, tetapi bagian FM tidak
digunakan di sini. Detektor tingkat internal memberikan sinyal kekuatan
yang cukup untuk menggerakkan sebuah penguat audio secara langsung.
Sebuah LM386 dipilih untuk tugas ini. IC ini dapat langsung menggerakkan
sebuah loudspeaker 8-Ω atau headphone tanpa kesulitan apapun.
Tegangan catu daya 9 V. Karena konsumsi daya sederhana, baterei 9-V sangat cocok. Selain itu, Rangkaian Pemantau Gelombang Pendek
akan bekerja pada tegangan sekitar 5,5 V, sehingga masa pakai baterei
akan ekstra panjang. Antena akan memerlukan sedikit eksperimen.
Diperoleh hasil yang wajar dengan sepotong kawat 50 cm. Sebuah kawat
denga panjang di kisaran 5 sampai 15 meter harus memberikan hasil yang
lebih baik pada frekuensi.
Rangkaian Stabilizer Sederhana
Rangkaian Stabilizer Sederhana
– Stabilizer (stabiliser) adalah alat yang digunakan untuk menstabilkan
tegangan arus listrik yang tidak stabil (tidak konstan) atau selalu
berubah-ubah.Kinerja peralatan bisa tidak maksimal akibat tegangan arus
listrik yang tidak stabil. Kalau voltage terlampau turun akan merusak
peralatan dan voltage yang terlampau tinggi juga akan merusak peralatan.
Misalnya akan terasa kurang dingin pada AC, akan terjadi hank pada
komputer, akan mengganggu keakuratan pada sebuah alat tes.
Bagi Anda yang mempunyai komputer PC
tentunya sudah sering mendengar kata stabilizer. Alat ini tidak bisa
dipidahkan sebab untuk menjaga tegangan yang mengalir ke komputer mantap
terus. Pada kesempatan kali ini kita akan membuat Rangkaian Stabilizer Sederhana. Walaupun sederhana, bukan berarti tidak bisa diandalkan. Alat ini bisa digunakan untuk menggantikan IC (regulator) seri 78XX.
Gambar Skema Rangkaian Stabilizer Sederhana
Daftar komponen :
R1 = 0,2 R2 K Ohm
R2 = Uo – Ur K Ohm
C1 = 150pF
C2 = 10uF/40 Volt
T1 = BC161
IC1 = CA 3130
Uo = tegangan keluaran
Ur = U D1
Seandainya memerlukan tegangan keluaran stabil 8 Volt maka diperoleh harga sebagai berikut :
Ur = 6,8
R1 = 220 Ohm
R2 = 1,2 K Ohm
R3 = 6,8 K Ohm
Di Indonesia, stabilizer sangatlah
penting karena teganga arus listrik di sini tidak stabil. Mengingat
masih kurang baiknya instalasi dan distribusi PLN di Indonesia yang
pengaruhnya besar sekali terhadap tegangan, ngedip, naik turun, bahkan
mati sama sekali. Hal ini membawa efek tidak baik terhadap peralatan
elektronik, maka dengan penggunaan
Rangkaian Stabilizer Sederhana
ini dapat menjaga peralatan elektronik anda seperti komputer, televisi,
kulkas dan Lin-lain baik di rumah-rumah, warnet maupun perkantoran agar
selalu mendapatkan
tegangan listrik
yang stabil. Jika tegangan PLN sangatlah tidak stabil dan stabilizer
tidak mampu menahan kestabilan tegangannya maka yang rusak adalah
stabilizernya bukan alat elektronik anda.
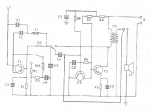
Rangkaian Walkie Talkie
Rangkaian Walkie Talkie – Menurut Wikipedia, Walkie talkie
adalah sebuah alat komunikasi genggam yang dapat menghubungkan dua
orang atau lebih dengan menggunakan gelombang radio. Kebanyakan walkie
talkie digunakan untuk melakukan kedua fungsinya yaitu berbicara ataupun
mendengar. Walkie Talkie dikenal dengan sebutan Two Way Radio ataupun
radio dua arah yang dapat melakukan pembicaraan dua arah, yakni
berbicara dan mendengar lawan bicara secara bergantian. Walkie talkie
dapat digunakan dalam jarak 0,5 Km sampai dengan 2,5 Km tanpa
menggunakan biaya pulsa seperti menelpon memakai telepon atau handphone.
Walkie talkie merupakan sebuah transceiver dikarenakan ia memiliki two
way radio tersebut. Alat ini memiliki radio transmitter dan sinyal
penerima komunikasi radio.
Rangkaian Walkie Talkie
yang kami sajikan di sini merupakan rangkaian yang cukup sederhana.
Untuk pembuatan walkie talkie harus dibuat sebanyak dua buah sebagai
sarana komunikasi antar teman. Jarak yang dapat ditempuh oleh Walkie
Talkie ini sekitar 500 meter untuk lokasi yang banyak gedungnya. Namun
kalau di tempat yang lapang semacam sawah atau daerah pegunungan yang
masih belum banyak terhalang pepohonan maka jarak yang ditempuh akan
lebih jauh lagi.
Gambar Skema Rangkaian Walkie Talkie
Daftar komponen :
R1, R4, R5, R6 = 5K Ohm
R2, R8, R9 = 100 Ohm
R6 = 270K Ohm
C1, C2 = 20pF
C3, C6 = 0,04uF
C4 = 0,002MF
C5 = 0,02uF
C8 = 0,005uF
C9 = 25uF/10V
Tr = Trafo OT 240
LS = loudspeaker 8 Ohm
L1 = koker bekas radio SW, lilitan panjang 50 cm, diameter 0,5 mm
RFC = bekas ballpoint kuningan panjang 2 cm, diameter 0,2 mm jumlah lilitan 18 gulungan
B = Beterei 9 Volt DC
Dalam uji coba
Rangkaian Walkie Talkie
ini pertama yang harus dilakukan adalah dengan menakan sakelarnya
sambil berbicara di depan speaker. Kemudian dekatkan Walkie Talkie ini
ke radio yang memiliki 2 atau 4 band. Carilah gelombang pada SW3 atau
bisa juga SW1 pada gelombang 40 meter sambil memutar bagian feritnya
(L1).
Rangkaian Parametrik Equalizer
Rangkaian berikut ini adalah Rangkaian Parametrik Equalizer
atau yang disingkat dengan nama Para Q. Alat ini aslinya buatan luar
negeri, di sini kami sajikan untuk Anda coba sendiri. Perhatikanlah
skemanya dengan teliti baru mencoba merakitnya.
Adapun cara kerja Rangkaian Parametrik Equalizer
ini sebagai berikut. Rangkaian ini akan bekerja normal bila
pemasangannya benar. Alat ini mempunyai respon frekuensi pada dua, tiga
puncaknya antara range frekuensi 50 Hz sampai dengan frekuensinya
mencapai angka 15 Hz, itu bila sistematiknya parametrik model grafik
yang banyak dijual di pasaran sekarang ini. Rangkaian yang ditampilkan
di sini memiliki model yang lain yaitu mampu beroperasi pada frekuensi
antara 50 Hz sampai 11 Hz dengan faktor Q1 sampai 25, sebab ukuran
respon terbaiknya di atas nilai 1 Hz. Dengan cara ini maka dihasilkan
suara tiruan seperti aslinya. Untuk ini perlu diberikannya data sebagai
berikut sebelum mulai merakitnya.
Sebelum alat ini disambungkan ke sumber
catu dayanya (bila sudah selesai dirakit), control potensiometernya
diletakkan dulu pada posisi menengah dan saklar by pass-nya dalam
keadaan tertutup. Bila posisinya sudah begitu maka sinyal input akan
sama dengan sinyal outputnya. Untuk selanjutnya lihat gambar skema di
bawah ini.
Gambar Skema Rangkaian Parametrik Equalizer
Pasanglah komponen IC dengan memakai
soket, sebab dengan soket kerusakan akibat terlalu lama menyolder
(panas) bisa dihindarkan dan komponen IC-nya tetap utuh, tidak mudah
rusak. Pasanglah terlebih dulu semua komponen bukan IC. Setelah itu baru
dipasangkan komponen IC-nya yang merupakan pekerjaan terakhir dalam
merakit
Rangkaian Parametrik Equalizer ini. Kerjakanlah dengan teliti dan sabar, pasti berhasil dengan baik.
Rangkaian Indikator Kondisi Baterei
Sebagian besar peralatan elektronik
portabel menggunakan baterei sebagai catu dayanya. Mengetahui kondisi
baterei adalah hal yang wajib dilakukan agar ketika sedang dan mau
digunakan, peralatan tersebut tidak dalam kondisi lemah atau bahkan
mati. Agar supaya kita bisa mengetahui kondisi sebuah baterei diperlukan
sebuah alat indikator. Rangkaian Indikator Baterei adalah salah satu alternatifnya.
Dengan bantuan Rangkaian Indikator Baterei
ini usia baterei Anda pun akan bertahan lama. Baterei yang dipaksakan
bekerja dalam kondisi lemah akan membuat bateri cepat rusak. Walaupun
sudah kelihatan terisi penuh tapi setelah digunakan akan cepat habis
(kosong). Dengan adanya indikator yang memberi tahu mengenai kondisi
baterei, kita seolah-olah diperingatkan untuk segera mengisinya
(charge). Ini sebagai tindak pengamanan. Di bawah ini kami sajikan
gambar skemanya.
Gambar Skema Rangkaian Indikator Kondisi Baterei
Desain Rangkaian Indikator Kondisi Baterei
ini menggabungkan power-on dan indikasi baterei lemah, dapat beroperasi
dengan tegangan baterei hingga 15V, memiliki aliran arus yang sangat
rendah (2mA atau kurang) dengan biaya yang cukup murah memakai
komponen-komponen baru. Ketika tegangan baterai di atas kekuatan minimum
yang telah ditentukan maka akan diindikasikan oleh LED yang menyala
terus. Untuk membatasi arus ke area aman Anda bisa menggunakan resistor
tetap dan trimpot seri untuk fleksibilitas. Tegangan baterai rendah
ditunjukkan oleh LED berdenyut di sekitar 1Hz. Tegangan baterai dipantau
oleh transistor Q1 dan trimpot VR1.
Rangkaian Metronom
Rangkaian metronom
menggunakan komponen-komponen yang sederhana saja. Rangkaian utama
terdiri dari osilator sumbatan (blocking oscillator) yang umpan baliknya
diselenggarakan dari kolektor ke emitor. Trafo umpan baliknya (L1-L2)
dapat dipakai dari trafo output yang berasal dari penerima radio
murahan.
Jangkah (batas jangkauan) frekuensi
ditetapkan oleh R2 dan R3. Pelawan-pelawan ini akan dapat juga
dilaksanakan sebagai potensiometer. Ini akan terutama berguna bagi
musisi lagu-lagu klasik. Batas frekuensi terendah dan batas frekuensi
tertinggi dapat ditetapkan dengan menandingkannya (menera) dengan
metronom mekanik. Juga titik-titik lain dalam skalanya dapat ditera
dalam skala Bach dari metronom mekanik itu. Dengan nilai-nilai R1, R2,
R3 dan C1 seperti di gambar, frekuensi adalah antara kira-kira 40-210
detak per menit. Ini akan berguna bagi musisi lagu-lagu modern. Berikut
ini gambar skema Rangkaian Metronom.
Gambar Skema Rangkaian Metronom
Range yang lebar ini baik kalau
direntangkan dalam dua skala. Bagian terakhir skala jangan dipakai sebab
tidak akurat karena berjalan tidak linier. C1 harus yang arus
bocorannya sangat kecil saja. Baiknya kalau memakai kondensator
tantalum. Osilator sangat peka terhadap perubahan-perubahan dalam sumber
daya, karena itu perlu di-dekopel (digandeng) dengan C2. Pengeras suara
adalah bekas pengeras suara (loudspeaker) penerima radio murahan.
Rangkaian metronom
ini harus mengeluarkan bunyi-bunyi detak yang kering, tanpa nada-nada
bawah (bass). Trafo yang dipakai menentukan warna bunyi itu. Warna bunyi
ditetapkan juga oleh C3, pengeras suara dan akustik ruangan. Sembarang
jenis transistor dapat dipakai (germanium ataupun silikon). Jikalau
menggunakan transistor silikon, maka beberapa komponen mungkin perlu
diubah nilainya. Penarikan arus sangat kecil saja: kurang dari 1 ma.
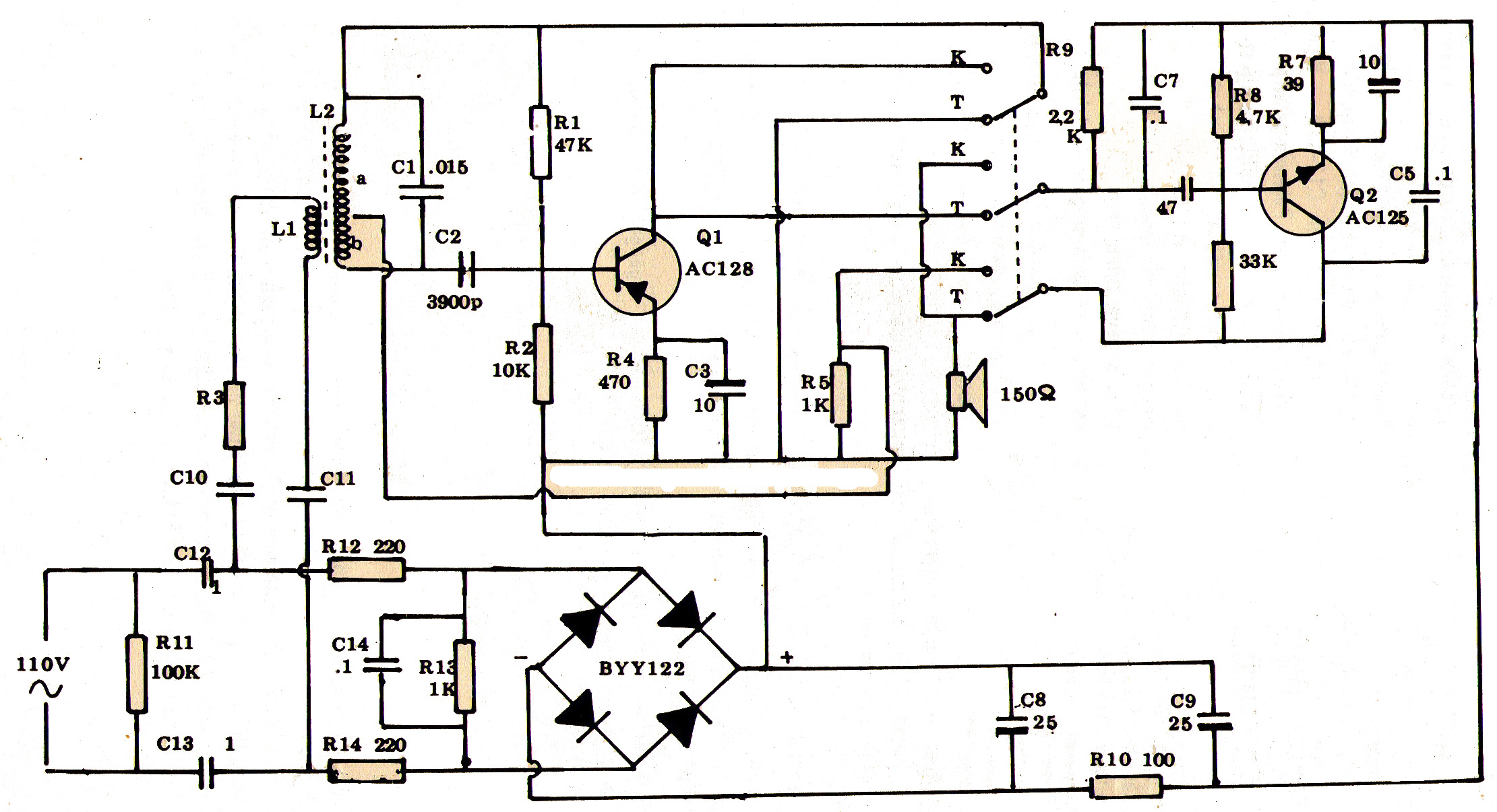
Rangkaian Walky Talky
Rangkaian Walky Talky –
Sebelum handphone jadi alat komunikasi zaman sekarang, Walky Talky
sempat menjadi andalan berkomunikasi. Untuk pembuatan Walky Talky harus
dibuat sebanyak dua buah sebagai sarana komunikasi antar teman/warga.
Jarak yang dapat ditempuh untuk Walky Talky sekitar 500 meter untuk
lokasi yang banyak gedung/rumahnya. Namun kalau di tempat yang lapang
semacam sawah atau daerah pegunungan yang masih belum banyak terhalang
pepohonan maka jarak yang ditempuh akan lenih jauh lagi.
Di bawah ini saya sajikan gambar Rangkaian Walky Talky. Silakahn lihat dan pelajari secara seksama.
Gambar Skema Rangkaian Walky Talky
Daftar komponen yang diperlukan :
R1, R4, R5, dan R7 = 5K Ohm
R2, R8 dan R9 = 100 Ohm
R3 = 390 Ohm
R6 = 270K Ohm
C1, C2 = 20 pF
C3, C6 = 0,04 uF
C4 = 0,002 uF
C5 = 0,02 uF
C7 = 47 uF/10 Volt
C8 = 0,005 uF
C9 = 25 uF/10 Volt
T1 = 2 SA 221
T2 = 2 SB 54
T3 = 2 SB 56
Lain-lain :
- Tr = Trafo OT 240
- LS = loudspeaker 8 Ohm
- L1 = merupakan kumparan-kumparan yang harus dibuat sendiri, yakni
dari bekas koker radio SW yang telah tidak dipakai. Selanjutnya gulungan
kawat yang asli dibuang. Kemudian koker yang telah dibuang lilitannya
diganti dengan lilitan yang baru. Sedangkan lilitan yang baru ini
menggunakan kawat yang panjang 50 cm dengan ukuran kawat 0,5 mm.
- RFC = RFC-nya juga dibuat sendiri dengan menggunakan bekas ballpoint
kuningan yang panjangnya dikurangi 2 cm, kemudian dililiti kawat ukuran
0,2 mm dengan jumlah lilitan 18 gulungan.
- B = baterai 9 Volt DC.
Dalam uji coba Rangkaian Walky Talky
ini pertama yang harus dilakukan adalah dengan menekan saklarnya
sambilberbicara di depan speaker. Kemudian dekatkan Walky Talky ini ke
radio yang memiliki 2 atau 4 band. Carilah gelombang pada SW3 atau bisa
juga SW1 pada gelombang 40 meter sambil memutar bagian feritnya (L1)
Rangkaian Radio Cassette Player Bass Booster
Rangkaian Radio Cassette Player Bass Booster
– Sekarang orang rata-rata cenderung menyukai peralatan yang serba
terpadu. Misalnya perangkat itu memadukan radio dan DVD/VCD player, atau
perpaduan TV dan radio. Jadi sebuah perangkat kompak yang bisa
berfungsi ganda, bahkan lebih. Memang sih dari pada membeli satu per
satu perangkat yang jatuhnya lebih mahal, mendingan perangkat kompak.
Oya, pada postingan kali ini kami ingin
mengenang kembali zaman dulu. Dulu kayaknya top banget tuh yang nama
Radio Cassette Player. Peralatan kompak berupa perpaduan antara radio
dan pemutar kaset. Radio Cassette Player ini biar sudah berbau jadul,
tapi sudah dimodifikasi dengan sentuhan Bass Booster. Silakan
lihat-lihat dulu gambar skema
Rangkaian Radio Cassette Player Bass Booster ini! Yaaa siapa tahu tertarik untuk merakit sendiri.
Gambar Skema Rangkaian Radio Cassette Player Bass Booster
Sebuah bass booster adalah perangkat
elektronik / sirkuit yang menekankan frekuensi audio yang lebih rendah
dengan pelemahan frekuensi audio yang lebih tinggi. Skema di atas
menunjukkan desain sebuah Rangkaian Radio Cassette Player Bass Booster menggunakan
IC BA3870. BA3870 merupakan IC yang mendorong bass audio yang mengatur
dorongan dasar ke tingkat yang sesuai untuk volume, mencapai suara kaya
tanpa distorsi. Tingkat maksimum bass boost dapat diatur secara
eksternal dan sirkuit dorongan treble (konstan pada 4dB) termasuk untuk
menjaga keseimbangan secara keseluruhan.
Rangkaian Ultrasonik Pengusir Serangga
Rangkaian Ultrasonik Pengusir Serangga – serangga
adalah binatang kecil yang kakinya beruas-ruas, bernapas dengan
pembuluh napas, tubuh, dan kepalanya berkulit keras seperti belalang,
semut, lebah dan sebagainya. Serangga ada yang menguntungkan manusia dan
ada pula yang merugikan. Serangga yang merugikan ini berupa serangga
pengganggu dan penyebar penyakit. Serangga pengganggu dan penyebar
penyakit tentunya sangat meresahkan dan menjengkelkan kita. Oleh karena
itu Anda pasti ingin mengusirnya bila melihat serangga pengganggu atau
penyebar penyakit sudah berkeliaran di lingkungan Anda, baik di rumah
atau pun kantor.
Ada pepatah bijak bilang, setiap masalah
pasti ada jalan keluarnya. Yang menjadi masalah adalah bagaimana kita
menyikapi masalah tersebut. Biasanya kalau masalah dihadapi dengan
kepala dingin akan didapat solusi yang baik. Nah, bila Anda ingin
mengusir serangga-serangga pengganggu tersebut, coba deh menggunakan
Rangkaian Ultrasonik Pengusir Serangga. Silakan Anda pelajari melalui gambar skema di bawah ini.
Gambar Skema Rangkaian Ultrasonik Pengusir Serangga
Ada banyak perangkat ultrasonik pengusir
hama yang tersedia di pasaran tetapi kekurangan utama adalah bahwa
output daya mereka rendah dan kurang efektif. Rangkaian Ultrasonik Pengusir Serangga
ini menghasilkan sinyal yang kuat untuk mengusir hama. Selain osilator
frekuensi ultrasonik yang dibangun dengan CD4047, juga ada power
amplifier dengan 2N3055 atau TIP31C) dan transformator yang digunakan
untuk meningkatkan sinyal ultrasonik. Output dari penguat daya
digabungkan ke tweeter melalui output transformator X1. Gulungan primer
terdiri dari 150 liltan dari kawat 20 SWG sementara gulungan sekunder
adalah 40 lilitan dari kawat 24 SWG. Aturlah potensiometer VR1 untuk
efektivitas maksimum.
Rangkaian Penguji Kelembaban Tanah
Rangkaian Penguji Kelembaban Tanah – Tumbuh
suburnya suatu tanaman ditentukan oleh berbagai faktor, salah satu
diantaranya adalah kelembaban tanah. Bila tanah kering, tanaman akan
mati. Apalagi tanaman tersebut disimpan dalam pot.
Bagi kita yang tidak suka kotor karena
memegang tanah serta ingin mengetahui kelemababan tanah supaya tanaman
tidak mati kekeringan di sini perlu kiranya kita menciptakan sebuah
rangkaian atau alat penguji. Alat penguji kelembaban tanah sederhana ini
dengan cepat memeriksa keadaan tanaman dan berapa banyak air yang
mereka butuhkan.
Di bawah ini kami sajikan Rangkaian Penguji Kelembaban Tanah. Silakan lihat dan pelajari gambar skemanya.
Gambar Skema Rangkaian Penguji Kelembaban Tanah
Daftar komponen :
Resistor:
R1 = 100kΩ
R2 = 2kΩ7
R3 = 2kΩ2
P1 = 500kΩ preset H
Capacitor:
C1 = 470μF 16V radial
C2,C3 = 10μF 16V radial
C4 = 100nF
Semiconductor:
D1 = 1N4001
D2 = 1N4148
D3,D4,D5 = LED hijau
D6-D9 = LED kuning
D10,D11,D12 = LED merah
IC1 = LM7805
IC2 = LM3914-N
Lain-lain:
Tr1 = mains transformer, secondary 6 V 200mA
F1 =fuse 200 mA
JP1 = short-circuiting jumper
K1 = 2-way PCB terminal block, lead pitch 7.5mm
Tanaman tampaknya memiliki kesamaan
dengan hewan peliharaan. Mereka biasanya dipelihara dengan upaya
terbaik, tapi tidak semua orang tampaknya dapat merawat mereka dengan
benar. Tentu saja kita tidak mengharapkan semua orang untuk memiliki
jari hitam gara-gara sering memegang tanah lahan, tetapi ketika tanaman
tidak disiram cukup, mereka akan mati. Dalam hal apapun, pengabaian
terlalu banyak biasanya memiliki konsekuensi fatal.
Jadi apa yang bisa kita lakukan? Ini
benar-benar sederhana. Yang dibutuhkan adalah pemeriksaan rutin untuk
merasakan jika tanah dalam pot telah menjadi terlalu kering. Sebuah
perangkat elektronik kecil dapat digunakan untuk mengatasi kita dari
masalah ini.
Rangkaian ini mungkin sangat sederhana, tapi Rangkaian Penguji Kelembaban Tanah
ini sangat berguna. Dua elektroda terjebak dalam tanah dan tingkat
kelembaban ditampilkan pada layar LED. LED telah diatur ke dalam tiga
warna: LED hijau menunjukkan bahwa tanah lembab, LED kuning yang itu
sedikit kering dan LED merah memperingatkan bahwa tindakan segera
diperlukan!
Rangkaian Detektor Medan Elektromagnet
Rangkaian Detektor Medan Elektromagnetik.
Gelombang elektromagnetik sebenarnya selalu ada di sekitar kita, salah
satu contohnya adalah sinar matahari, gelombang ini tidak memerlukan
medium perantara dalam perambatannya. Contoh lain adalah gelombang
radio. Energi elektromagnetik dipancarkan atau dilepaskan oleh semua
masa di alam semesta pada level yang berbeda-beda. Semakin tinggi level
energi dalam suatu sumber energi, semakin rendah panjang gelombang dari
energi yang dihasilkan dan semakin tinggi frekuensinya.
Sobat BE, tanpa kita sadari keberadaan
gelombang elektromagnetik sangat besar peranannya bagi kehidupa kita.
Namun ada juga efek negatif dari gelombang elektromagnetik ini sehingga
kita pun harus mewaspadainya. Medan elektromagnetik bisa juga
mempengaruhi kondisi kesehatan manusia bahkan ada sebagian barang-barang
elektronika yang rentan terhadap medan elektromagnetik sehingga
lama-kelamaan bisa rusak. Nah untuk mengetahui keberadaan medan
elektromagnetik, kami mengetengahkan
Rangkaian Detektor Medan Elektromagnetik untuk Anda.
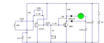
Gambar Skema Rangkaian Detektor Medan Elektromagnetik
Rangkaian Detektor Medan Elektromagnetik
ini mudah dibuat dan lebih sensitif dari perangkat komersial yang
tersedia di pasaran. Rangkaian ini didasarkan pada penguat operasional
LF351 dan choke 1mF bertindak sebagai sensor. Tidak seperti kebanyakan
detektor EMF sederhana lainnya, yang satu ini memiliki output meter
untuk pembacaan yang akurat, tapi sebagai alternatif, Anda juga dapat
secara kasar memperkirakan frekuensi lapangan dengan mencolokkan
headphone. Hal ini dapat mendeteksi bidang apapun dari 50Hz sampai
100kHz sehingga sangat fleksibel.
Rangkaian Sound Alarm Blaster
Rangkaian Sound Alarm Blaster -
alarm ini banyak sekali fungsinya. Bisa digunakan untuk memberikan
peringatan akan sesuatu bahaya. Bisa juga digunakan sebagai tanda awal
dan akhir sebuah kegiatan. Atau sekedar sebagai tanda simbolis. Jadi
alarm bisa diaplikasikan untuk berbagai fungsi sesuai dengan kebutuhan
kita. Apalagi sekarang dunia elektronika semakin berkembang, tentu
inovasi akan selalu terjadi setiap saat.
Dalam dunia sound sistem kita mengenal
istilah sound blaster. Kali ini kita akan mencoba membuat alarm yang
menggunakan sentuhan sound blaster he he he Tertarik? Lanjutin dong
bacanya! Yang jelas, pastinya alarm ini beda banget dengan yang pernah
Anda dengar dan lihat. Untuk sedikit gambaran tentang
Rangkaian Sound Alarm Blaster ini bisa Anda pelajari gambar skemanya di bawah ini. Yuuuuu mari!!!!
Gambar Skema Rangkaian Sound Alarm Blaster
Berikut ini adalah daftar komponen yang diperlukan :
R1 = 100K
R2 = 100K
R3 = 1oK
R4 = 10K
R5 = 470 Ohm
R6 = 10K
C1 = 10uF
C2 = 0,1nF
C3 = 10uF
C4 = 200uF / 15V
RV1 = 100K
IC1 = 741
IC2 = LM386
CDS
LS = 8 Ohm
BAT = 9 Volt
Rangkaian ini dimulai sebagai sebuah
osilator sinewave. Rangkaian asli memanfaatkan thermistor sebagai elemen
pengendali umpan balik. Kami mengganti fotosel untuk thermistor. Dengan
cahaya ambient sekitar sirkuit bahkan tidak berosilasi karena
perlawanan fotosel sangat rendah itu efektif untuk umpan balik. Kami
menggabungkan output ke amplifier (LM386) dan pada pengaturan volume
rendah. Sesuaikan RV1 untuk osilasi. Mungkin ada begitu banyak aplikasi
untuk Rangkaian Sound Alarm Blaster ini.
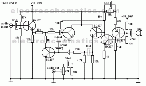
Rangkaian Talk Over
Rangkaian Talk Over –
Dalam suatu dialog atau percakapan, tak jarang kita secara serempak
berbicara. Kalau kita tidak mempunyai pendengaran yang tajam atau kita
tidak konsentrasi dengan arah pembicaraan, mungkin kita tidak mendengar
suara dari lawan bicara kita. Karena dua suara yang keluar bersamaan
bisa saling mengalahkan satu sama lain. Dan yang mempunyai warna vokal
yang kuat yang akan terdengar jelas di telinga kita.
Dalam dunia broadcast atau siaran, baik
itu siaran radio atau pun televisi, sering kali suara kita bentrok atau
beradu dengan suara musik (backsound atau lagu playlist). Nah,
bagaimana caranya agar suara kita dan suara musik keluar bersamaan tapi
tetap harmonis didengar oleh pendengar? Ini tentunya hal yang patut
dicari solusinya. Dan sekarang sudah ada solusi jitu buat Anda berupa
Rangkaian Talk Over. Di bawah ini bisa Anda pelajari gambar skemanya.
Gambar Skema Rangkaian Talk Over
Rangkaian Talk Over ini
dapat Anda gunakan di stasiun radio Anda, club atau di mana saja Anda
ingin berbicara di atas musik tanpa menggerakan potensiometer. Hanya
berbicara di mikrofon dan tingkat musik akan turun sesuai suara Anda.
Jadi Anda tak perlu repot-repot meggeser atau menggerakan potensiometer
ketika Anda berbicara sementara musik/lagu masih berjalan (bunyi).
Karena begitu Anda berbicara, secara otomatis, volume suara musik atau
lagu akan menurun dengan perlahan sehingga suara vokal Anda akan jelas
terdengar, tidak terkalahkan atau saingan dengan suara lagu (musik).
Pengertian Dan Fungsi Resistor
Pengertian resistor
adalah salah satu komponen elekronika yang berfungsi sebagai penahan
arus yang mengalir dalam suatu rangkaian dan berupa terminal dua
komponen elektronik yang menghasilkan tegangan pada terminal yang
sebanding dengan arus listrik yang melewatinya sesuai dengan hukum Ohm
(V = IR). Sebuah resistor tidak memiliki kutub positif dan negatif, tapi
memiliki karakteristik utama yaitu resistensi, toleransi, tegangan
kerja maksimum dan power rating. Karakteristik lainnya meliputi
koefisien temperatur, kebisingan, dan induktansi. Ohm yang dilambangkan
dengan simbol Ω(Omega) merupakan satuan resistansi dari sebuah resistor
yang bersifat resistif.
Resistor adalah
komponen dasar elektronika
yang selalu digunakan dan paling banyak dalam setiap rangkaian
elektronika. Dengan demikian Anda harus mempelajari dan memahami sebaik
mungkin tentang resistor. Anda harus mampu mengetahui nilai dari sebuah
resistor beserta fungsinya bila ingin membuat sebuah rangkaian
elektronika.
Fungsi resistor adalah
sebagai pengatur dalam membatasi jumlah arus yang mengalir dalam suatu
rangkaian. Dengan adanya resistor menyebabkan arus listrik dapat
disalurkan sesuai dengan kebutuhan. Adapun fungsi resistor secara
lengkap adalah sebagai berikut :
- Berfungsi untuk menahan sebagian arus listrik agar sesuai dengan kebutuhan suatu rangkaian elektronika.
- Berfungsi untuk menurunkan tegangan sesuai dengan yang dibutuhkan oleh rangkaian elektronika.
- Berfungsi untuk membagi tegangan.
- Berfungsi untuk membangkitkan frekuensi tinggi dan frekuensi rendah dengan bantuan transistor daan kondensator (kapasitor).
Demikianlah pembahasan singkat mengenai Pengertian Dan Fungsi Resistor
yang harus Anda ketahui dan pahami sehingga Anda tidak mengalami
hambatan (kesulitan) dalam merakit sebuah rangkaian elektronika.
Pengertian Dan Fungsi Dioda
Sebelum Anda belajar lebih jauh tentang
elektronika, ada baiknya memahami terlebih dahulu komponen-komponennya.
Pada kesempatan kali ini kita akan membahas tentang Pengertian Dan Fungsi Dioda. Jika Anda belum tahu dan belum paham tentang dioda, mari kita simak uraian berikut yang kami sarikan dari berbagai sumber.
Secara sederhana, pengertian dioda
adalah komponen elektronika yang terdiri dari dua elektroda, yakni
anoda dan katoda. Kata “dioda” adalah sebuah kata majemuk yang berarti
“dua elektroda”, dimana “di” berarti dua dan “oda” yang berarti
elektroda. Jadi dioda adalah dua lapisan elektroda N (katoda) dan
lapisan P (anoda), dimana N berarti negatif dan P adalah positif.
Dioda merupakan komponen yang paling
sederhana pada keluarga semikonduktor. Bentuk dioda ini sejenis vacuum
tube yang memiliki dua buah elektroda yang terbuat dari bahan
semikonduktor. Fungsi dioda ini memang unik, yaitu hanya dapat mengalirkan arus satu arah saja.
Fungsi dioda paling
umum adalah untuk memperbolehkan arus listrik mengalir dalam suatu arah
(disebut kondisi panjar maju) dan untuk menahan arus dari arah
sebaliknya (disebut kondisi panjar mundur). Karenanya, dioda dapat
dianggap sebagai versi elektronik dari katup pada transmisi cairan.
Fungsi dioda
yang lainnya adalah sebagai penyearah sinyal tegangan AC menjadi sinyal
DC. Untuk dapat digunakan sebagai penyearah setengah gelombang Anda
bisa menggunakan sebuah dioda. Namun jika ingin menjadi penyearah
gelombang penuh, Anda harus menggunakan 4 buah dioda yang dirangkai
seperti jembatan atau dengan menggunakan 2 buah dioda dengan trafo yang
memiliki center tap (CT).
Demikianlah ulasan singkat yang bisa kami sajikan mengenai Pengertian Dan Fungsi Dioda. Semoga bermanfaat.
Rangkaian Elektronika Amplifier
Rangkaian elektronika amplifier
adalah sebuah sirkuit elektronika yang didesain sedemikian rupa
membentuk bagan (skema) untuk membangun/merakit sebuah amplifier.
Amplifier adalah salah satu bagian komponen elektronika dari sebuah
rangkaian elektronika dimana bagian tersebut berfungsi sebagai penguat
daya atau power. Dalam hal keperluan audio, baik untuk radio, tape,
televisi, speaker dan yang lainnya, amplifier ini digunakan untuk
penguat sinyal audio (suara) yakni memperkuat sinyal arus (I) dan
tegangan (V) listrik dari input menjadi arus listrik dan tengangan yang
berdaya lebih besar di bagian outputnya.
Rangkaian elektronika amplifier
merupakan rangkaian yang sangat familiar dalam dunia elektronika.
Sebagian besar perangkat yang mempunyai sistem audio atau audio visual
memerlukan kehadiran amplifier. Tanpa adanya ampllfier tentu saja sinyal
suara yang dikeluarkan tidak akan berjalan normal. Demikian pentingnya
amplifier sehingga rangkaian ini merupakan salah satu rangkaian paling
favorit diantara hobbyist elektronika.
Rangkaian Elektronika Amplifier
Sekarang terdapat beberapa variasi jenis
amplifier seperti OTL, BTL dan OCL yang sudah beredar luas di pasaran.
Setiap komponen dari jenis amplifier tersebut memiliki spesifikasi
tersendiri (kelebihan dan kekurangan masing-masing). Berikut ini
spesifikasi dari masing-masing jenis amplifier :
- OTL (Output Transformer Less = keluaran tanpa trafo), yaitu
amplifier yang menggunakan elco sebagai pengganti transformer, misalnya
menggunakan elco 2200uf untuk amplifier yang memiliki watt besar. Pada
umumnya tegangan rangkaian amplifier OCL hanya + (positif) dan –
(negatif / ground).
- BTL (Bridge Transformator Less) , yaitu penggabungan amplifier OCL
dengan metode jembatan(bridge). Sehingga power outputnya menjadi 2 kali
lipat lebih besar dari power rangkaian amplifier OCL.
Demikianlah uraian singkat tentang Rangkaian Elektronika Amplifier. Semoga Anda dapat lebih memahami tentang Amplifier setelah membaca tulisan ini.